西安科技大学

采矿学


金洪伟
安全科学与工程学院

返回目录⇡

如何浏览?

  1. 从浏览器地址栏打开 https://zimo.net/ck/
  2. 点击章节列表中的任一链接,打开相应的演示文稿;
  3. 点击链接打开演示文稿,使用空格键或方向键导航;
  4. f键进入全屏播放,再按Esc键退出全屏;
  5. Alt键同时点击鼠标左键进行局部缩放;
  6. Esco键进入幻灯片浏览视图。

请使用最新版本浏览器访问此演示文稿以获得更好体验。

第3章 井田开拓方式

目 录

  1. 井田开拓方式的概念及分类
  2. 斜井开拓
  3. 立井开拓
  4. 平硐开拓
  5. 综合开拓

第1节 井田开拓方式的概念及分类

一、井田开拓方式分类

开拓方式分类

一、井田开拓方式分类

工程应用中,常把上述几种矿井开拓分类方式综合或部分综合进行描述。以立井为例,可以有:

  • 立井单水平上下山开拓;
  • 立井多水平上下山开拓;
  • 立井多水平上山开拓;
  • 立井多水平上山及上下山混合开拓;
  • 等等。

一、井田开拓方式分类

立井开拓方式

1-主井;2-副井;3-井底车场;4-主要石门;5-开采水平运输大巷

第2节 斜井开拓

一、斜井分段式开拓

斜井分段式开拓又称片盘斜井开拓,是斜井开拓的一种最简单的形式。它是将整个井田沿倾斜方向划分成若干个阶段,每个阶段倾斜宽度可以布置一个采煤工作面。在井田沿走向中央由地面向下开凿斜井井筒,并以井筒为中心由上而下逐阶段开采。

斜井分段式开拓

1-主斜井;2-副斜井;3-阶段下部车场;
4-阶段运输巷;5-阶段回风巷;6-采煤工作面

一、斜井分段式开拓

1. 矿井开拓程序

  • 开掘主斜井和副斜井(间隔30~40m煤柱)至第一阶段下部;
  • 开掘第一阶段下部车场;
  • 开掘第一阶段运输巷和回风巷;
  • 开掘开切眼,在开切眼内布置采煤工作面。

一、斜井分段式开拓

2. 矿井生产系统

  • 运煤路线:工作面6 ⇒ 阶段运输巷4 ⇒ 第一阶段下部车场3 ⇒ 主斜井1 ⇒ 地面
  • 通风路线:地面新鲜风流 ⇒ 主斜井1 ⇒ 阶段下部车场3 ⇒ 阶段运输巷4 ⇒ 采煤工作面6(变为污风) ⇒ 阶段回风巷5 ⇒ 副斜井2 ⇒ 地面
  • 运料、运设备路线:地面 ⇒ 阶段上部车场3 ⇒ 工作面6

  • 优点:开拓的巷道布置和生产系统简单,初期工程量小,出煤快。
  • 缺点:井筒延伸频繁,生产和掘进之间相互影响大。
  • 适用条件:埋藏浅、赋存稳定的煤层。

第2节 斜井开拓

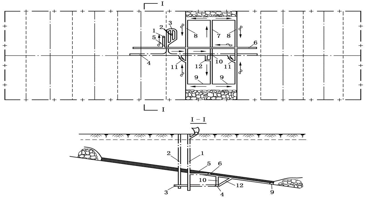
二、斜井单水平分区式开拓

由斜井进入煤体,由一个开采水平开采整个井田。井田可划分为一个阶段,也可划分为多个阶段。阶段沿走向划分为采区。

斜井单水平分区式开拓

1-主斜井;2-副斜井;3-井底车场;4-水平运输大巷;5-井底煤仓;
6-采区运输上山; 7-采区轨道上山;8-区段运输巷;9-区段回风巷;
10-采煤工作面;11-回风大巷; 12-回风井;13-采区煤仓;
14-行人进风斜巷;15-采区回风石门

二、斜井单水平分区式开拓

1. 矿井开拓程序

开掘路线1:

  1. 由地面开掘一对斜井至开采水平;
  2. 在开采水平布置井底车场和硐室;
  3. 向井底车场两侧掘进水平运输大巷只采取中部;
  4. 在采区下部布置采区下部车场,并开掘采区运输上山和轨道上山。

二、斜井单水平分区式开拓

1. 矿井开拓程序

开掘路线2:

  1. 同时在井田浅部沿走向中央开凿回风井;
  2. 开掘回风大巷;
  3. 开掘采区回风石门至采区上部车场;

上山贯通后:

  1. 施工区段运输巷和区段回风巷;
  2. 掘进开切眼,布置工作面。

二、斜井单水平分区式开拓

2. 矿井生产系统

  • 运煤路线:采煤工作面10 ⇒ 区段运输平巷8 ⇒采区运输上山6 ⇒ 采区下部煤仓13 ⇒ 水平运输大巷4 ⇒ 井底煤仓5 ⇒ 主斜井1 ⇒ 地面
  • 通风路线:地面新鲜风流 ⇒ 主、副斜井1、2 ⇒ 井底车场3 ⇒ 水平运输大巷4 ⇒ 行人进风斜巷14 ⇒ 采区运输上山6 ⇒ 区段运输平巷8 ⇒ 采煤工作面10(变为乏风) ⇒ 区段回风平巷9 ⇒ 采区回风石门15 ⇒ 水平回风大巷11 ⇒ 回风井12 ⇒ 地面
  • 运料、运设备路线:副井2 ⇒ 井底车场3 ⇒ 水平运输大巷4 ⇒ 采区下部车场 ⇒ 采区轨道上山 ⇒ 采区中(上)部车场 ⇒ 区段回风巷9 ⇒ 采煤工作面10

二、斜井单水平分区式开拓

2. 矿井生产系统

  • 优点:开采水平少,减少了初期工程量和投资;阶段内分采区布置,对地质条件适应性强。只有一个开采水平,不存在水平接替问题。矿井生产稳定。
  • 适用条件:开采缓倾斜煤层(倾角小于16°)、瓦斯涌出量小、涌水量小时,应优先考虑采用此种开拓方式。

第2节 斜井开拓

三、斜井形式选择

1. 斜井倾角要求

  • 串车提升:α≤25°
  • 箕斗提升:α=20°~35°
  • 无极绳提升:α≤10°
  • 胶带输送机提升:α≤17°

第2节 斜井开拓

三、斜井形式选择

2. 井筒空间位置

  • 煤层斜井:斜井沿煤层开掘,施工容易、速度快、投资少。但当煤层较厚、煤质松软、构造复杂及煤层有自燃倾向时,不宜沿煤层布置。此外,煤层斜井需要留设井筒保护煤柱,资源浪费大。
  • 底板斜井:井筒布置在煤层底板中。但当煤层倾角小于井筒倾角时,石门工程量太大。底板斜井的优点是井筒易维护,不需要保护煤柱。
  • 穿层斜井:当煤层倾角小于井筒倾角时,为了减少水平石门工程量或避免受地面因素影响,斜井可穿越煤层布置。

除此之外,还有反斜井沿煤层伪斜井折返式斜井等。

第3节 立井开拓

一、立井单水平分带式开拓

开拓方式见下页图,井田划分为两个阶段,阶段内采用分带式布置。

1. 矿井开拓程序

  • 在井田中央从地面开凿主井和副井至开采水平;
  • 开掘井底车场、开掘主要运输大巷、回风石门、回风大巷;
  • 由大巷掘行人进风斜巷、运料斜巷进入煤层;
  • 沿煤层掘分带运输巷、带区煤仓、分带回风巷;
  • 沿煤层走向掘开切眼并布置采煤工作面。
立井单水平上下山开拓(带区式准备)示意图

1-主井;2-副井;3-井底车场;4-运输大巷;5-回风石门;
6-回风大巷;7-分带运输巷; 8-分带回风巷;9-采煤工作面;
10-带区煤仓;11-运料斜巷;12-行人进风斜巷

一、立井单水平分带式开拓

2. 矿井生产系统

  • 运煤路线:采煤工作面9 ⇒ 分带运输巷 ⇒ 带区煤仓10 ⇒ 运输大巷4 ⇒ 井底车场3 ⇒ 主井1 ⇒ 地面
  • 通风路线:地面新鲜风流 ⇒ 副井2 ⇒ 井底车场3 ⇒ 运输大巷4 ⇒ 行人进风斜巷12 ⇒ 分带运输巷7 ⇒ 工作面9(变为乏风) ⇒ 分带回风巷8 ⇒ 回风大巷6 ⇒ 回风石门5 ⇒ 主井1 ⇒ 地面
  • 运料、运设备路线:地面 ⇒ 副井2 ⇒ 井底车场3 ⇒ 运输大巷4 ⇒ 分带材料车场 ⇒ 运料斜巷11 ⇒ 分带回风巷8 ⇒ 采煤工作面9

  • 优点:生产系统比较简单,运输环节少,建井速度快,投产早。
  • 适用性:煤层倾角小于12°、地质构造简单、煤层埋藏较深的矿井。

第3节 立井开拓

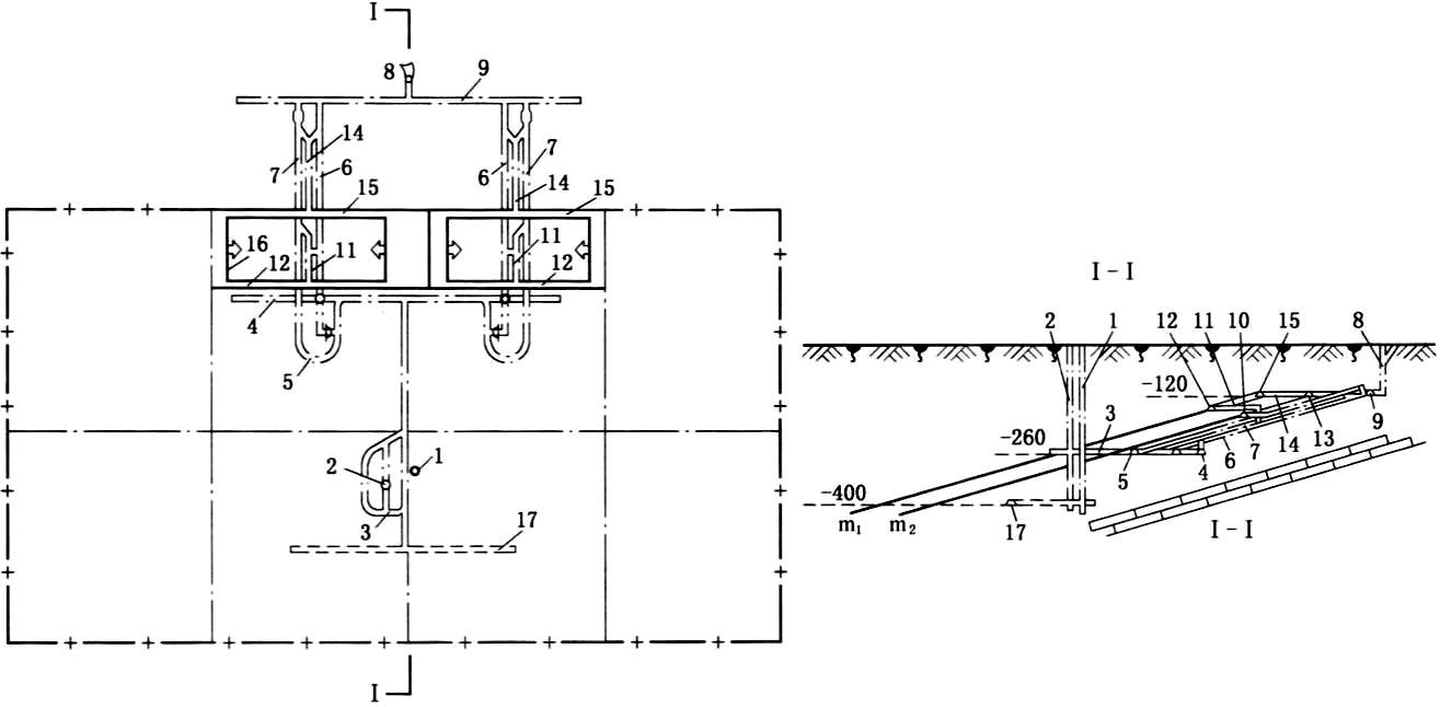
二、立井多水平分区式开拓

见下页图所示。该井田有两层可采煤层m1和m2,两层煤间距不大,采用联合开采的方式,在m2煤层底板岩石中布置阶段运输大巷和回风大巷,为两层煤所共用。井田内设两个开采水平。

采区内巷道布置与斜井分区时开拓相同。

两层煤间的开采顺序应保证相互不受采动影响。对多水平开拓,一定要注意水平间的接替,在上水平采完以前,要将下水平开拓准备完备。同时也要注意采区间、区段间的接替,以保证矿井稳定生产。

立井多水平分区式开拓

1-主井;2-副井;3-井底车场;4-运输大巷;5-下部车场;6-运输上山;7-轨道上山;8-回风井;9-总回风巷;10-m2区段运输平巷;11-区段运输石门;12-m1区段运输平巷;13-m2区段回风平巷;14-回风石门;15-m1区段回风平巷;16-工作面;17-400m水平运输大巷

立井多水平分区式开拓立体图

1-主井;2-副井,3-井底车场;4-主要运输石门;5-阶段运输大巷; 6-回风井;7-回风石门;8-回风大巷;9-采区运输石门;10-采区下部车场底板绕道;11-采区下部车场;12-采区煤仓;13-行人进风巷;14-运输上山;15-轨道上山;16-上山绞车房;17-采区回风石门;18-采区上部车场;19-采区中部车场;20-区段运输平巷;21-下区段回风平巷;22-联络巷;23-区段回风平巷;24-开切眼;25-采煤工作面

第3节 立井开拓

三、立井开拓的优缺点

  • 优点
    • 可以适应各种水平划分方式和阶段内布置方式;
    • 井筒长度短、提升速度快、提升能力大及管线敷设短、通风阻力小、维护容易;
    • 对地质条件适应性强,不受煤层倾角、厚度、瓦斯等条件限制。
  • 缺点:井筒掘进施工技术要求高、开凿井筒所需设备和井筒装备复杂、井筒掘进速度慢、基建投资大。

第4 节平硐开拓

一、走向平硐

走向平硐开拓

1-主平硐;2-风井;3-运输上山;4-轨道上山;5-煤仓;6-盘区边界线;Ⅰ~Ⅳ-盘区

走向平硐一般沿煤层走向开掘在底板岩石中(见右图);条件适合(煤层不厚、煤质坚硬、服务年限不长)时,也可以沿煤层掘进。走向平硐工程量小,投资省,出煤快。

第4 节平硐开拓

二、垂直平硐

垂直平硐先从地面垂直煤层走向掘平硐到达煤层或煤层底板,然后沿煤层或底板岩石向井田两侧掘运输大巷,并准备采区(见下页图)。

由于地表地形及地质条件的影响,平硐也可以与煤层走向斜交掘进,称为斜交平硐。垂直平硐和斜交平硐初期工作量大,投资多,出煤慢,但可以两翼开采,矿井生产能力较大。

垂直平硐开拓

1-主平硐;2-主要运输大巷;3-副巷(后期回风巷);
4-上山下部车场;5-轨道上山;6-运输上山;7-煤仓;
8-下山上部车场;9-风井;10-运输下山;11-轨道下山

第4 节平硐开拓

三、阶梯平硐

阶梯平硐

当地形高差较大,主平硐以上煤层垂高过大时,可以把其分为几个阶段,分别用不同标高的平硐开拓,称为阶梯平硐

选择平硐硐口时,要考虑以下因素:

  • 硐口地势平缓,有足够的面积布置工业场地。
  • 硐口交通要便利,以利于煤炭外运和设备、材料运输。
  • 硐口要安全,不受洪水、滑坡、雪崩等威胁。

第5节 综合开拓

第5节 综合开拓

一、立井-斜井综合开拓

主立井-副斜井综合开拓

1-主立井;2-副斜井

立井-斜井综合开拓是使用广泛的一种综合开拓方式。

利用立井井筒短、提升速度快的优点,用立井作为主井担负提煤任务;利用斜井施工简单,人员上下方便和安全的优点,用斜井担负辅助提升和兼作安全出口。

第5节 综合开拓

二、斜井-立井综合开拓

斜井作为主井,主要是利用斜井可采用强力带式输送机、提升能力大及井筒易于延深的优点。立井作副井提升方便、通风容易。

主斜井-副立井综合开拓

1-主斜井;2-副立井;3-第一水平石门;4-第一水平大巷;
5-第一水平二大巷;6-回风斜井;7-暗斜井;
8-第二水平运输大巷;9-第三水平运输大巷;10-第三水平副立井

第5节 综合开拓

三、平硐-立井综合开拓

由于主平硐过长,另开凿一个副立井承担辅助运输和进风任务。

主平硐-副立井综合开拓

1-主平硐;2-副立井;3-暗斜井;4-回风平硐;5-回风小井

第5节 综合开拓

四、平硐-斜井综合开拓

在煤层露头附近开掘浅部斜井作为安全出口和回风井。

主平硐-副斜井综合开拓

1-主平硐;2-副斜井;3-阶段运输大巷;4-阶段辅巷

作 业

  1. 课本58页习题1:什么叫井田开拓方式?井田开拓方式是如何分类的?
  2. 课本58页习题3:立井开拓的优点、缺点和适用条件是什么?
  3. 课本58页习题6:什么叫单水平开拓?什么叫多水平开拓?

谢谢!

返回目录
返回首页