西安科技大学

安全工程专业课程

矿山压力与岩层控制


金洪伟 & 双海清

安全科学与工程学院

返回目录⇡

如何浏览?

  1. 从浏览器地址栏打开 https://zimo.net/ky/
  2. 点击链接打开演示文稿,使用空格键或方向键导航;
  3. f键进入全屏播放,再按Esc键退出全屏;
  4. s键打开演讲者视图(在多屏播放时有用);
  5. Alt键同时点击鼠标左键进行局部缩放;
  6. Esco键进入幻灯片浏览视图。

请使用最新版本浏览器访问此演示文稿以获得更好体验。

第六章 采区巷道矿压
显现与控制

目 录

  1. 概述
  2. 采区巷道围岩应力
  3. 采区巷道变形与矿压显现
  4. 采区巷道矿压控制原理
  5. 巷道支护技术
  6. 无煤柱护巷
  7. 采区巷道保护

第一节 概述

采区巷道:

  • 准备巷道:采区上(下)山、上山间联络巷、采区车场;
  • 回采巷道:区段运输平巷、区段回风平巷、工作面开切眼、上下区段间联络巷。

生产矿井每年掘进的巷道中采区内的准备巷道和回采巷道占 80% 以上。采区巷道的特点:

  • 大部分在煤层内开掘,煤层巷道虽然容易掘进,但支护和维护困难,受瓦斯、煤尘等灾害的胁更大;
  • 许多巷道与回采工作面相邻,易受回采工作面的采动影响,矿压显现剧烈;
  • 巷道服务年限更短。

第二节 采区巷道围岩应力

一、受采动影响巷道的围岩应力

1. 回采工作面周围支承压力分布

采空区应力重新分布概貌

1—工作面前方超前支承压力;
2、3—工作面倾斜、仰斜方向残余支承压力; 4—工作面后方采空区支承压力

煤层凸出角处叠合支承压力

一、受采动影响巷道的围岩应力

回采工作面周围支承压力在煤层平面内分布示意图

1. 回采工作面周围支承压力分布

支承压力的位置、范围及大小随着工作面的推进会产生时空变化。

工作面前方超前支承压力峰值位置深入煤体内的距离一般为 2~10m,大时可达 20~30m 至 90~100m。

倾向方向的残余支承压力峰值深入煤体的距离要更远,而影响带宽度则较小,其影响范围随远离回采工作面而逐渐变化。

一、受采动影响巷道的围岩应力

2. 采动引起的底板岩层应力分布

底板岩层应力分布(一侧采空,近似三角形载荷)
底板岩层应力分布(两侧采空,煤柱宽度 B,均布载荷)

一、受采动影响巷道的围岩应力

3. 采动引起的底板岩层应力分布

底板岩层应力分布(两侧采空,煤柱宽度 2B,马鞍形载荷)

第一节 巷道围岩应力及变形规律

二、相邻巷道的应力分布及巷道间距的确定

1. 巷道围岩应力影响带

巷道围岩应力受扰乱的区域称为影响带,一般以超过原岩应力值的 5% 作为影响带的边界。

各向同性弹性岩体中,单一圆形巷道围岩内应力影响区形状为半径等于 6a 的圆(a 为巷道断面半径)。

确定相邻巷道间距的原则:

(1)对于弹性条件,相邻巷道的应力影响带可以彼此重叠,但不能达到相邻巷道。

半径相同(为 r)的两圆形巷道的间距 D

\[6r < D < 12r\]

半径不同(分别为 rR)的两圆形巷道的间距 D

\[6R < D < 6\left( {r + R} \right)\]

(2)对于弹塑性条件,相邻巷道的应力影响带不宜超过巷道塑性变形区与弹性变形区的交界。

2. 巷道间煤岩柱的稳定性

巷道间煤岩柱的稳定性主要取决于煤岩柱所承受的载荷是否超过其承载能力。计算岩柱强度(岩柱的承载能力)的 Obert-Dwvall/Wang(1967)和 Bieniawski(1968)经验公式

\[R = {R_c}\left( {0.778 + 0.222\frac{B}{h}} \right)\]

实验结果表明,当煤岩柱的宽高比 B/h > 5 时,岩柱强度将随 B/h 的增加而显著增大;当 B/h > 10 时,一般情况下岩柱不易被破坏。

3. 相邻巷道间的合理距离

我国煤矿在目前采深条件下,大巷间的距离以 20~40m 为宜,围岩较稳定时取小值,不稳定时取大值;在浅部和坚硬围岩以及在急倾斜煤层条件下,大巷间距可减小至 10m;在深部和松软围岩条件下,大巷间距可增大至 50m。

上下山及集中巷间距以 15~30m 为宜,围岩较稳定时取小值,不稳定时取大值;在浅埋和坚硬围岩以及在急倾斜煤层条件下,上述距离可减小到 10m;在深部和松软围岩以及厚煤层内,间距应扩大到 40~50m。

第一节 巷道围岩应力及变形规律

三、构造应力对巷道稳定性的影响

水平应力是影响巷道顶板冒落、底板鼓起、两帮内挤的主要因素。

  • 顶板
    • 薄层的页岩类岩层沿层面滑移;
    • 厚层的砂岩类岩层以小角度或沿小断层产生剪切,顶板失稳冒落。
  • 底板:高水平应力是造成底板岩层破坏和强烈底鼓的主要原因。
  • 两帮:水平应力在两帮引起较大的拉应力,造成两帮破裂、鼓出和塌落,破坏深度较大。

三、构造应力对巷道稳定性的影响

巷道轴向与构造应力方向平行时,构造应力对巷道的稳定性影响最小;巷道轴向与构造应力方向垂直时,影响最大。

构造应力对巷道稳定程度的影响,主要随 α 角正弦的平方值变化。如果 α 角小于 25°~30°,构造应力对巷道稳定性的影响无明显变化。

巷道轴向平行、垂直构造应力条件下,周边围岩应力分布

(a)平行构造应力;
(b)垂直构造应力

第三节 采区巷道变形与矿压显现

一、巷道位置类型

第二节 受采动影响巷道矿压显现规律

二、区段巷道矿压显现规律

1. 区段巷道的布置方式

Ⅰ:煤体—煤体巷道

1:煤体—煤柱(采动稳定)巷道

1:煤体—煤柱(正采动)巷道

2:煤体—无煤柱(沿空掘进)巷道

2:煤体—无煤柱(沿空留巷)巷道

区段巷道布置方式示意图

(a)煤柱护巷;(b)无煤柱护巷

二、区段巷道矿压显现规律

2. 区段巷道矿压显现规律

各类巷道矿压显现剧烈程度:

三、底板巷道矿压显现规律

1. 底板巷道的位置

底板巷道的位置

Ⅰ—在已稳定的采空区下部;Ⅱ—在保护煤柱下部;
Ⅲ—在尚未开采工作面下部,经历上部采面的跨采影响

三、底板巷道矿压显现规律

2. 底板巷道的矿压显现规律

受上部煤层采动影响底板巷道变形

(a)保护煤柱不够宽条件下;(b)采面跨采条件下

四、上、下山矿压显现规律

受采动影响的上、下山布置方式

分析:(c)情形在跨采时支承压力影响最为剧烈。

五、受采动影响巷道围岩变形的基本构成

1. 巷道围岩变形量的构成

  • 顶板下沉量
  • 底板鼓起量
  • 巷帮移近量
  • 深部围岩移近量
  • 巷道剩余断面积

五、受采动影响巷道围岩变形的基本构成

2. 巷道围岩变形规律

区段平巷围岩变形

Ⅰ—掘巷影响区;Ⅱ—掘巷影响稳定区;Ⅲ—回采影响区;Ⅳ—回采影响稳定区;Ⅴ—下区段回采影响区

五、受采动影响巷道围岩变形的基本构成

2. 巷道围岩变形规律

采区平巷不同矿压显现带内顶、底板移近规律

第四节 采区巷道矿压控制原理

巷道围岩控制手段的实质是如何利用煤层开采引起采场周围岩体应力重新分布的规律,正确选择巷道布置和护巷方法,使巷道位于应力降低区内,从而减轻或避免回采引起的支承压力的强烈影响,控制围岩压力。

一、巷道围岩压力及影响因素

1. 围岩压力

采掘活动引起巷道围岩应力集中和重新分布,使巷道周边岩体自稳能力显著降低,导致向巷道空间移动。为了防止围岩变形和破坏,需要对围岩进行支护。这种围岩变形受阻而作用在支护结构物上的挤压力或塌落岩石的重力,称为围岩压力

一、巷道围岩压力及影响因素

2. 影响围岩压力的主要因素

二、巷道围岩控制原理和方法

1. 巷道围岩控制原理

巷道围岩控制是指控制巷道围岩的矿山压力和周边位移所采取措施的总和。其基本原理是:人们根据巷道围岩应力、围岩强度以及他们之间的相互关系,选择合适的巷道布置和保护及支护方式,降低围岩应力,增加围岩强度,改善围岩受力条件和赋存环境,有效控制围岩的变形、破坏。

巷道围岩控制的效果,极大程度上取决于对回采活动影响巷道围岩控制的认识,对巷道围岩岩体力学模型、变形及破坏机制判断的正确性,以及对巷道围岩赋存条件和岩体力学性质掌握的程度。巷道围岩控制方法可归纳为巷道布置巷道保护及支护两方面内容。

二、巷道围岩控制原理和方法

2. 巷道布置

  • 在时间和空间上应尽量避开采掘活动的影响,最好将巷道布置在煤层开采后所形成的应力降低区域内。
  • 如果不能避开采动支承压力的影响,应尽量避免支承压力叠加的强烈作用,或尽量缩短支承压力影响时间。
  • 在采矿系统允许的距离范围内,选择稳定的岩层或煤层布置巷道,尽量避免水与松软膨胀岩层直接接触。
  • 巷道通过地质构造带时,巷道轴向应尽量垂直断层构造或向、背斜构造。
  • 相邻巷道或硐室之间选择合理的岩柱宽度。
  • 巷道的轴线方向尽可能与构造应力方向平行,避免与构造应力方向垂直。

二、巷道围岩控制原理和方法

3. 巷道保护及支护

  • 降低围岩应力:通过在巷道围岩中钻孔卸压、切槽卸压、宽面掘巷卸压以及在巷道旁留专门的卸压空间等方法,使巷道围岩受到某种形式的不同程度的卸载,将本该作用于巷道周围的集中载荷,转移到离巷道较远的新的支承区,达到降低围岩应力的目的。
  • 强化围岩:采用围岩钻孔注浆、锚杆支护、锚索支护、巷道周边喷浆、支架壁后充填、围岩疏干封闭等方法,增加围岩强度,优化围岩受力条件和赋存环境。
  • 巷道支护:架设支架对围岩施加径向力,既能支撑松动塌落岩石,又能加大巷道的围压,保持围岩三向受力状态,提高围岩强度,限制塑性变形区和破裂区的发展。根据巷道不同时期的矿压显现规律,巷道支护可分为巷内基本支架支护、巷内加强支架支护、巷旁支护和联合支护四种形式。

三、巷道支架支护原理

1. 巷道金属支架的工作特性

巷道上覆岩体的重量由巷道支架承担的仅占1%~2%,其余的由巷道周围岩体承受。

把“支架—围岩”看作是一个相互作用和共同承载的力学体系,正确调节和处理“支架—围岩”关系,是支架支护巷道的理论基础。

三、巷道支架支护原理

2. “支架—围岩”相互作用的基本状态

给定载荷:巷道顶板岩石与上覆岩层离层或脱落时,支架仅受到离层或脱落岩石自重压力作用。此时支架载荷数值不大且基本固定。

给定变形:没有离层或脱落,支架受载和压缩变形取决于上覆岩层的运动状态。此时支架所受载荷较大。

“支架—围岩”相互作用的力学模型

(a)给定载荷;(b)给定变形

三、巷道支架支护原理

3. “支架—围岩”相互作用原理

  • 合理的“支架—围岩”相互作用关系是充分利用围岩自身的承载力。
  • 支护的作用是促进围岩形成自稳和承载结构。支架微小的支撑力对保证巷道围岩稳定是极其重要和必不可少的。支架的工作阻力,尤其是初撑力在一定程度上能有效地抑制直接顶离层,控制围岩塑性区的再发展和围岩的持续变形,保持围岩的稳定。
  • 巷道支架系统必须具有适当的强度一定的可缩性,才能有效地控制适应围岩的变形。

三、巷道支架支护原理

3. “支架—围岩”相互作用原理

“支架—围岩”相互作用关系

A—弹塑性阶段(支架工作阻力越大,位移量越小);
B—松动破裂阶段(由于松动变形造成松动压力,使支架工作阻力增加)

Ⅰ—巷道周边位移量与支护阻力的关系曲线;
Ⅱ—可缩性支架的工作特性曲线;
Ⅲ—刚性支架的工作特性曲线

a, b—支架的工作点;c—围岩开始松动、脱落的临界点

三、巷道支架支护原理

4. “支架—围岩”相互作用原理的应用

  • 实行二次支护:开挖后及时进行一次支护,一次支护允许围岩产生一定的变形,当围岩变形和能量释放到一定程度后,进行二次支护。
  • 采用柔性支护:采用金属可缩性支架,既能适应围岩变形,又能提供足够的工作阻力,充分发挥支架的支护效果。
  • 强调主动支护:采用具有一定初始工作阻力的金属支架,进行支架壁后充填和喷射混凝土,提高支架和围岩的承载能力。

四、巷道锚杆支护原理

锚杆支护对巷道围岩起加固作用,促使围岩由载荷体转化为承载体,有利于围岩的稳定。锚杆的支护效果一般要好于刚性金属支架。

关于锚杆支护的原理,已经形成了多种假说对其进行解释。

四、巷道锚杆支护原理

锚杆支护悬吊作用

(a)坚硬顶板锚杆;(b)软弱顶板锚杆

1. 悬吊理论

锚杆支护的作用是将巷道顶板较软弱岩层悬吊在上部稳定岩层上,增强较软弱岩层的稳定性。如果巷道浅部围岩松软破碎,顶板出现松动破裂区,锚杆的悬吊作用是将这部分易冒落岩体锚固在深部未松动的岩层上。

四、巷道锚杆支护原理

层状顶板锚杆组合梁

2. 组合梁理论

如果顶板岩层中存在若干分层,组合梁理论认为,锚杆的作用一方面提供锚固力增加各岩层的摩擦力,阻止岩层沿层面继续滑动,避免出现离层现象;另一方面锚杆杆体可增加岩层间的抗剪强度,阻止岩层间的水平错动,从而将巷道顶板锚固范围内的几个薄岩层锁成一个较厚的岩层。

四、巷道锚杆支护原理

锚杆组合拱(压缩拱)原理

3. 组合拱(压缩拱)理论

该理论认为,在拱形巷道围岩的破裂区中安装预应力锚杆,从杆体两端起形成圆锥形分布的压应力区,如果锚杆间距足够小,各个锚杆形成的压应力圆锥体相互交错,在岩体中形成一个均匀的压缩带,即压缩拱。压缩拱内岩石径向、切向均受压,处于三向应力状态,围岩强度得到提高,支承能力相应增大。

四、巷道锚杆支护原理

最大水平应力原理

4. 最大水平应力理论

矿井岩层的水平应力通常大于铅直应力,巷道顶底板的稳定性主要受水平应力的影响;围岩层状特征比较突出的回采巷道开挖后引起应力重新分布时,铅直应力向两帮转移,水平应力向顶底板转移;铅直应力的影响主要显现于两帮而导致两帮的破坏,水平应力的影响主要显现于顶底板岩层。锚杆的作用是沿锚杆轴向约束岩层膨胀和在垂直锚杆轴向方向约束岩层剪切错动。

四、巷道锚杆支护原理

5. 围岩强度强化理论

该理论针对软岩煤巷围岩特点而提出。其要点如下:

  • 巷道锚杆支护的实质是锚杆和锚固区域的岩体相互作用形成统一的承载结构。
  • 巷道锚杆支护可提高锚固体的力学参数(ECφ),改善被锚固岩体的力学性能。
  • 巷道围岩存在破碎区、塑性区和弹性区,锚杆锚固区的岩体则处于破碎区或处于上述2~3个区域中,相应锚固区的岩石强度处于峰后强度或残余强度。锚杆支护使巷道围岩特别是处于峰后区围岩强度得到强化,提高了峰值强度和残余强度。
  • 煤巷锚杆支护可以改变围岩的应力状态,增加围压,从而提高围岩的承载能力。
  • 巷道围岩锚固体强度提高以后,可减少巷道周围破碎区、塑性区的范围和巷道的表面位移,控制围岩破碎区、塑性区的发展,从而有利于保持巷道围岩的稳定。

五、通用的巷道支护方法和理论

1. 奥地利隧道施工新方法(新奥法)

以隧道工程经验和岩体力学的理论为基础,将锚杆和喷射混凝土结合在一起作为主要支护手段,通过检测控制围岩的变形,便于充分发挥围岩的自承能力的施工方法。

原则:少扰动、早喷锚、勤量测、紧封闭

施工顺序:开挖→一次支护→二次支护

五、通用的巷道支护方法和理论

1. 奥地利隧道施工新方法(新奥法)

要点

  • 围岩岩体是隧道承载的主要部分;
  • 用较小的支护阻力设计支护结构;
  • 采用薄层柔性支护,控制围岩的初始变形;
  • 通过控制薄层柔性支护的时间来适应围岩的特性;
  • 采用监控测量来检验设计并指导施工。

五、通用的巷道支护方法和理论

2. 联合支护理论

联合支护理论是我国软岩巷道支护专家提出,主要是针对煤矿软岩、高地应力等复杂条件下巷道支护困难而提出。主要思想是,对于深部软岩巷道刻意地追求支护体刚度不利于控制巷道围岩变形,应先采用柔性支护,后再用刚性支护的方法。先采用让压的方法使围岩达到自稳后,再通过支护体将围岩抵抗住,只有柔让结合适度,然后再进行稳定支护,才能很好的稳固巷道。其主要支护形式有锚喷网、锚带喷架、锚喷网架等联合支护技术。

五、通用的巷道支护方法和理论

3. 松动圈理论

由董方庭教授提出。该理论认为,当围岩应力超过围岩强度时,围岩将产生破坏,巷道周围破坏的岩石呈弧形的破裂带分布,这就是巷道围岩松动圈。他针对松动圈的大小对巷道围岩进行了分类,并针对每类松动圈提出了相应的支护方法。

五、通用的巷道支护方法和理论

4. 关键部位耦合组合支护理论

由何满潮院士提出。该理论认为,支护体与巷道围岩在结构、强度等方面存在不耦合现象,导致巷道支护体失稳。需采取一定的支护方法使支护体和巷道围岩相互耦合,对于复杂巷道的支护可分为两次,即第一次是柔性的面支护,第二次是关键部位的点支护。

第五节 巷道支护技术

一、巷道金属支架支护

矿用型钢

1. 矿用支护型钢

矿用支护型钢主要有工字钢(简称矿工钢)和 U 型钢。他们都具有较高的抗拉、抗压、抗剪强度和良好的韧性。

型钢断面的几何参数主要是抗弯截面模量 WxWy,要求两者的数值尽可能接近,以便能同时承受横向和纵向载荷。另外,合理的型钢断面几何形状应使型钢搭接后再锁紧、滑移过程中,满足型钢搭接处接触面积大、受力状况良好、平稳滑移的要求。

一、巷道金属支架支护

U25 型钢断面图

2. U 型钢可缩性支架

U 型钢可缩性支架在具有一定的工作阻力的同时还具有可缩性,将支架内力限定在一定范围内,既能保持围岩的稳定,又能避免支架的严重损坏。

(1)U 型钢可缩性支架的连接件

连接件是可缩性支架的关键部位,其结构和力学性质关系到支架可缩性能的好坏。连接件由锁紧构件摩擦机构组成,根据锁紧方式的不同,连接件可分为螺栓连接件楔式连接件

双槽形夹板式连接件

(a) 上限位连接件;(b) 中间连接件;(c) 下限位连接件

1—上限位块;2—下限位块

(2)U 型钢可缩性支架

常见的 U 型钢可缩性支架包括拱形梯形封闭形支架。

  • 拱形支架支护效果较好,应用最广泛;
  • 梯形支架无需挑顶,便于巷道掘进和有利于保持顶板完整性;
  • 封闭形支架对围岩松软、底鼓严重、两帮移近量大的巷道支护效果好,常见的形状有马蹄形、圆形、方(长)环形。

(2)U 型钢可缩性支架

拱形可缩性金属支架基本结构类型

(1)三节式;(b)四节式;
(c)五节式;(d)曲腿式;
(e)非对称式;(f)封闭式

拱形支架断面基本参数

(2)U 型钢可缩性支架

四节多铰摩擦可缩性支架结构

1—U 型钢;2—铰接点;3—耳卡式连接杆

U 型钢拱梯形可缩性支架断面参数
马蹄形可缩性支架
圆形可缩性支架
环形可缩性支架

(a)方环形;(b)长环形

一、巷道金属支架支护

3. 矿用工字钢支架

一、巷道金属支架支护

3. 矿用工字钢支架

拱形刚性支架

(a)拱顶斜腿支架(1—弧形定量;2—柱腿;3—铸钢接榫)
(b)拱顶直腿支架(1—拱梁;2—柱腿;3—扁钢夹板连接件)
(c)锚喷巷道加强拱顶支架

一、巷道金属支架支护

4. 金属支架的拉杆和背板

单个支架之间用拉杆使支架沿巷道轴向相互连成一体,可防止支架歪斜、扭转,增加支架的纵向约束,提高支架的稳定性和承载能力。常用的拉杆有圆钢栏杆、扁钢拉杆、角钢拉杆、可调节拉杆等。

背板属于架间防护材料,其作用是传递巷道围岩载荷,防止架间离散岩块冒落,使支架受力均匀并具有较高的承载能力。背板的种类按力学性质可分为刚性、弹性和柔性三种。各种背板中,钢筋网背板强度很大,有一定的刚度,背板边缘的钩形部分扣住支架边角,既约束背板又增加了支架的整体稳定性。

二、巷道锚杆支护

锚杆是锚固在岩体内维护围岩稳定的杆状结构物。对地下工程的围岩以锚杆作为支护系统的主要构件,就形成锚杆支护系统。单体锚杆主要由锚头(锚固段)、杆体锚尾(外锚头)、托盘等部件组成。

锚杆有很多种类,其中树脂锚杆是目前国内外使用最广泛的锚杆支护形式。

锚杆的分类(按锚固方式)
锚杆的分类

二、巷道锚杆支护

1. 树脂锚杆

树脂锚杆由锚固剂(树脂胶囊)、杆体、托盘和螺母等组成。(如右图)

螺纹钢树脂锚杆
高强度螺纹钢锚杆结构

1—树脂药卷;2—杆体;3—穹形球体;4—托盘;5—塑料增压垫圈;6—驱动螺母

1. 树脂锚杆—(1)锚固剂

树脂锚固剂

锚固剂将杆体与围岩黏结在一起,在锚杆与围岩相互作用过程中具有重要作用。树脂锚固剂通常是将树脂、固化剂、促凝剂严密包装在一定长度和直径的胶囊中,树脂与促凝剂装在一室,固化剂与之隔离包装在另一室。锚固剂胶囊被锚头捣破搅拌后,促凝剂促进树脂和固化剂发生化学反应,使锚杆杆体通过锚固剂和钻孔壁固结在一起。

为保证一定的黏结体环向厚度,锚杆钻孔直径和杆体直径一般相差 6~10mm。

1. 树脂锚杆—(2)锚杆杆体

锚杆杆体是锚杆的主体,杆体材质及表面结构直接影响锚固范围内对围岩的支护阻力。依照杆体屈服强度 σs,将锚杆分为三类:

  • 普通锚杆:σs<340MPa;
  • 高强度锚杆:340MPa≤σs<600MPa;
  • 超高强度锚杆:σs≥600MPa。

1. 树脂锚杆—(2)锚杆杆体

杆体锚固力的一些影响因素:

  • 预应力全长树脂锚固是锚杆实现强初撑、高阻力的重要技术。试验表明:φ20mm全长锚固锚固与φ16mm端锚锚杆比较,实际工作锚固力高2~3倍,锚固力增阻速度高4倍,锚杆开始失效的极限位移量增加200mm,围岩流变速度减少2/3,围岩移近量减少1/2。
  • 锚杆杆体表面粗糙程度直接影响锚杆与围岩之间的剪切特征和相互作用力的传递。试验表明:螺纹钢锚杆的拉拔力达到圆钢锚杆的4~5倍。全长锚固锚杆杆体一般选用左旋无纵筋螺旋钢筋。

1. 树脂锚杆—(2)锚杆杆体

端头锚固式锚杆受力特征

1—内锚头;2—托板

全长锚固锚杆锚固力分布

1—托锚力作用区;2—剪锚力作用区

1. 树脂锚杆—(3)锚杆托板与螺母

托板对锚杆作用的发挥有重要影响。托板是产生托锚力的主要构件,同时对黏锚力也有一定影响。其作用体现在两方面:

  • 托板通过挤压围岩表面提供托锚力,使围岩处于三向受压状态,明显改善巷道围岩受力环境,托锚力可使锚杆在施加预紧力后立即发挥作用,约束围岩变形。
  • 托板受载后将力传递给锚杆杆体,增大锚杆黏锚力,限制围岩节理面的相对错动,充分发挥锚杆对围岩节理面的加固作用。

1. 树脂锚杆—(3)锚杆托板与螺母

各种托板形式示意图

1. 树脂锚杆—(3)锚杆托板与螺母

锚杆托板与螺母

锚杆螺母的结构与性能应与锚杆性能相互协调。为了满足锚杆高性能需求,实现锚杆树脂搅拌与安装一体化,国内外普遍采用扭力螺母与锚杆钻机配套快速安装锚杆。扭力螺母有钢片充填式螺母、树脂(或尼龙)充填式螺母、销钉式扭力螺母、外销钉式扭力螺母。

二、巷道锚杆支护

2. 锚梁网联合支护

形成整体承载结构

掩护网:金属菱形网、金属经纬网、塑料网、钢筋网。

托梁或钢带:W 形钢带、钢筋梯子梁、M 形钢带、Ⅱ 形轻型钢带。

W 形钢带
钢筋梯子梁

二、巷道锚杆支护

3. 桁架锚杆支护

一种能够在巷道顶板的水平及垂直方向同时提供压应力的主动支护结构,一般由锚杆、拉杆、拉紧器、垫块组成。

  • 单式桁架锚杆:两根顶板锚杆在靠近两帮处倾斜安装,下端通过联接杆与拉杆连接,并施加一定预紧力,使锚杆与拉杆形成一支护整体。
  • 复式桁架锚杆:在巷道跨度方向上由2~3个单式桁架锚杆交错组成。
  • 交叉桁架锚杆:在巷道交叉处单式桁架锚杆交叉成十字形。
  • 连续桁架锚杆:沿巷道轴向将单式或复式桁架锚杆连成整体。
单式双拉杆桁架锚杆

1—锚头;2—锚杆;3—托架;4—水平拉杆

复式桁架锚杆

1—锚杆;2—拉杆;3—拉紧器;4—垫木

交叉桁架锚杆

桁架锚杆的作用:

  • 锚杆的锚固力和拉杆的预拉紧力,增加了顶板岩层的抗弯能力,减小了顶板内部及其表面的张应力。
  • 对于破碎顶板,提高了裂隙梁的“完整性”,有利于顶板的成拱作用。
  • 协调锚杆之间的受力变形,将同一拉杆的若干根锚杆构成整体支护结构。
  • 当顶板变形时,拉杆和倾斜锚杆的共同作用可减小甚至抵消巷道顶板中部可能产生的拉应力,阻止顶板变形和破坏。
桁架锚杆支护作用力

二、巷道锚杆支护

4. 预应力锚索

预应力钢绞线

预应力锚索与普通锚杆相比长度较大,能锚入深部较稳定的岩层中,同时施加较大的预应力。常见的预应力锚索有胀壳式钢绞线预应力锚索和砂浆黏结式预应力锚索。

锚索可分为单根锚索和锚索束、树脂锚固锚索、水泥注浆锚固锚索、树脂水泥注浆联合锚固锚索、端部锚固锚索和全长锚固锚索、预应力锚索和非预应力锚索。目前我国煤矿已广泛应用自己研制的小钻孔、树脂药卷加长锚固、单根钢丝绞线的小口径预应力锚索。

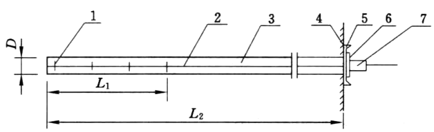
小口径预应力锚索结构

1—毛刺;2—钢绞线;3—钻孔;4—巷道表面;5—槽钢;6—钢垫板;7—锁具
L1—内锚固长度;L2—锚索有效长度;D—钻孔直径

第五节 巷道支护技术

三、巷道支护设计

巷道锚杆支护设计

第五节 巷道支护技术

三、巷道支护设计

我国巷道锚杆支护系统设计的基本思想认为地质调查、设计、施工、监测、信息反馈等是相互关联、制约和影响的有机整体,巷道支护系统是一个复杂的系统工程。巷道锚杆的系统设计方法包括以下 6 个基本部分:

  1. 地质力学评估,主要是围岩应力状态和岩体力学性质评估。
  2. 初始设计,以数值模拟分析为主要手段,辅以工程类比和理论计算法,对初始设计选定的方法进行稳定性分析。
  3. 按初始设计选定的方案进行施工。
  4. 现场监测,主要有锚杆受力和巷道围岩表面及深部位移的监测。
  5. 信息反馈与修改、完善设计,选用巷道表面及深部位移、全长锚固锚杆的受力分布、端部锚固锚杆的载荷、锚固区内和区外的离层值作为反馈指标,提出修改方案。
  6. 重复进行由初始设计至信息反馈与修改、完善设计步骤,直到满意为止。

第六节 无煤柱护巷

区段无煤柱护巷有沿空掘巷沿空留巷两种方法:

沿空掘巷
在上区段工作面采过后,沿着上部已开采区段的采空区边缘掘进下部待开采区段的回风平巷。
沿空留巷
在上区段工作面采过后,通过加强支护或采用其他有效方法,将上区段工作面运输平巷保留下来,供下区段工作面回采时作为回风平巷。

无煤柱护巷的理论基础是采场覆岩结构及周围支承压力分布规律。

第六节 无煤柱护巷

一、无煤柱护巷的岩层控制基础

1. 沿倾斜方向支承压力分布规律

回采工作面倾斜方向支承压力分布

(a)不同时期支承压力分布;
(b)较软煤层顶板支承压力分布

1, 2, 3—初期、末期和已稳定的压力分布曲线

工作面推过后:

  • 沿倾斜方向煤壁的支承压力降低;
  • 峰值点向煤壁深处转移;
  • 顶底板越软,转移趋势越明显。

一、无煤柱护巷的岩层控制基础

1. 沿倾斜方向支承压力分布规律

根据实测数据统计,不同围岩性质和开采深度条件下,上区段回采影响稳定后掘进的回采巷道保持稳定状态的护巷煤柱宽度 B 可见下表:

回采巷道保持稳定状态的护巷煤柱宽度值

一、无煤柱护巷的岩层控制基础

1. 沿倾斜方向支承压力分布规律

μx关系曲线示意图

μ—巷道顶底板相对移近率;x—需要的护巷煤柱宽度

围岩越不稳定,以及煤层埋藏深度越大,巷道的变形量越大,需要的护巷煤柱越宽。

一、无煤柱护巷的岩层控制基础

2. 采空区上覆岩层结构与沿空巷道的关系

岩块 B 断裂后形成弧形三角板,它对沿空巷道上覆岩层结构的稳定性起重要作用。

沿空巷道上覆岩层结构示意图

第六节 无煤柱护巷

二、沿空掘巷

根据以上对支承压力沿煤层倾向的显现规律可知,与采空区相邻的煤体边缘区域存在一个应力比原岩应力低的卸压区,当回采工作面采过相当长时间以后,这个卸压区仍能较稳定地长期保持。所以,在这个卸压区内掘进和维护巷道可以减轻巷道受压,达到容易维护巷道的目的。与留煤柱护巷相比,这种巷道保护方法取消了护巷煤柱,因此叫做无煤柱护巷法,通常还把这种沿采空区边缘掘进或维护的巷道称为沿空巷道

无煤柱护巷有利于提高煤炭采出率,改善巷道维护状况,降低巷道掘进率。

二、沿空掘巷

1. 沿空掘巷的矿压显现

沿空掘巷引起煤帮应力重新分布

1—掘巷前的应力分布;
2—掘巷后的应力分布

Ⅰ—破裂区;Ⅱ—塑性区;Ⅲ—弹性区应力增高部分;Ⅳ—原岩应力区

沿空掘巷破坏了原来的极限平衡状态,使破裂区、塑性区变宽,支承压力向煤体深部移动。移动距离约等于巷道宽度,应力场扰动不大,一般经 10d 左右趋向稳定。

当巷道受到本区段工作面回采影响时,处于支承压力重叠区内,围岩变形会显著增长,通常巷道维护不太困难。

二、沿空掘巷

1. 沿空掘巷的矿压显现

窄煤柱护巷引起煤帮应力重新分布

1—掘巷前的应力分布;2—掘巷后的应力分布

Ⅰ—破裂区;Ⅱ—塑性区;Ⅲ—弹性区应力增高部分;Ⅳ—原岩应力区

窄煤柱巷道是指巷道与采空区之间保留 5~8m 宽的煤柱。若巷道掘进位置正好处于残余支承压力峰值处,则在掘进期间和掘进后巷道围岩将发生强烈变形,窄煤柱遭受严重破坏,窄煤柱巷道的围岩变形要比沿空巷道大 1 倍左右。

二、沿空掘巷

2. 沿空掘巷的方式

方式1:完全沿空掘巷

L2—滞后掘进距离

方式2:留小煤墙沿空掘巷

L2—滞后掘进距离

方式3:保留部分老巷断面沿空掘巷(不常用)

二、沿空掘巷

2. 沿空掘巷的方式

优缺点分析:

  1. 完全沿空掘巷:上区段老空区积水和碎矸石易进入巷道内,会严重影响巷道的施工和使用,巷道与采空区之间的漏风严重。
  2. 留小煤墙沿空掘巷:小煤墙对挡矸和防治采空区积水进入巷道能起一定作用;巷道在煤体内掘进,两侧为煤壁,有利于提高掘进速度。但小煤墙很难隔离火区、防止漏风和隔绝采空区有害气体渗漏。小煤墙宽度一般不宜超高 1~3m。
  3. 保留部分老巷断面沿空掘巷:只适用于顶板容易冒落和胶结、采空区无积水和煤层倾角不大的煤层。

第六节 无煤柱护巷

三、沿空留巷

沿空留巷工作面巷道平面布置图

(a)走向长壁;(b)倾斜长壁
1—沿空保留巷道;2—巷旁支护带;3—复用后废弃的巷道

三、沿空留巷

1. 沿空留巷的矿压显现规律

  • 保留巷道期间经历上区段工作面的采动影响,巷道顶板的下沉、破坏受到采空区上覆岩层沉降总规律的制约,沿空留巷的顶板会在较长时间受到老顶上覆岩层运动的影响,巷道变形破坏较严重,受力状况与用煤柱维护的巷道有明显差别。
  • 上区段工作面的采矿影响趋于稳定后,巷道围岩变形显著下降并趋于稳定。
  • 本区段工作面回采时,巷道围岩再次表现出剧烈的变形和破坏。

三、沿空留巷

2. 沿空留巷巷旁支护形式

巷旁支护是指巷道断面范围以外,与采空区交界处架设的一些特殊类型的支架或人工构筑物。

作用:控制直接顶的离层和及时切断直接顶板,使垮落矸石在采空区内充填支撑老顶,减少上覆岩层的弯曲下沉,减少行内支护所承受的载荷,保持巷道围岩稳定。同时为了生产安全,及时封闭采空区,防止漏风和煤炭自然发火,避免采空区内有害气体逸出。

方法:传统的巷旁支护主要有木垛支护、密集支柱支护、矸石带支护、混凝土砌块支护等。另外,新的整体浇注巷旁充填技术正显示出技术经济上的优越性。

第七节 采区巷道保护

一、留煤柱护巷

留煤柱护巷示意图

传统的护巷方法。

优点:使下区段平巷避开固定支承压力峰值区,双巷在掘进和使用中技术管理简单,对通风、运输、排水和安全都有利。

缺点:煤柱损失高达10%~30%;回风巷受二次采动影响,巷道维护困难,支护费用高;煤柱支承压力向底板传播,不仅影响临近煤层的开采和底板巷道的稳定,还成为引发冲击地压的隐患。

一、留煤柱护巷

计算煤柱载荷示意图

1. 煤柱的载荷

煤柱单位长度上的载荷:

\[P=\left[ \left( B+D \right) \cdot H-\frac { { D }^{ 2 }\cot { \delta  }  }{ 4 }  \right] \cdot \gamma\]

煤柱单位面积上的载荷

\[\sigma=\frac { \left[ \left( B+D \right) \cdot H-\frac { { D }^{ 2 }\cot { \delta  }  }{ 4 }  \right]  }{ B } \cdot \gamma\]

一、留煤柱护巷

1. 煤柱的载荷

煤柱宽度的计算,要保证:

煤柱的计算载荷 σ ≤ 煤柱极限强度 R

\[\frac{\gamma}{1000B}\left[ \left( B+D \right) H-\frac{1}{4}D^2\cot \delta \right] \geqslant R_c\left( 0.778+0.222\frac{B}{h} \right)\]

依上式可计算煤柱的宽度 B

一、留煤柱护巷

2. 煤柱的应力分布

一侧采空时塑性区宽度

\[{ x }_{ 0 }=\frac { m }{ 2\varepsilon f } \ln { \frac { K\gamma H+C\cot { \varphi  }  }{ \xi \left( { p }_{ 1 }+C{ \cot { \varphi  }  } \right)  }  }\]

在生产实际中,x0 的变化范围为 3~20m,一般为 5~12m。应力降低区宽度的变化范围为 2~7m,一般为 3~5m。

一侧采空煤柱(体)的弹塑性变形区及铅直应力分布

1—弹性应力分布;2—弹塑性应力分布

Ⅰ—破裂区;Ⅱ—塑性区;Ⅲ—弹性区应力升高部分;Ⅳ—原始应力区

煤柱宽度很大时弹塑性变形区及铅直应力分布

Ⅰ—破裂区;Ⅱ—塑性区;Ⅲ—中部为原岩应力的弹性区(弹性核)

煤柱宽度较大时弹塑性变形区及铅直应力分布

Ⅰ—破裂区;Ⅱ—塑性区;Ⅲ—应力升高的弹性区(弹性核)

煤柱宽度较小时弹塑性变形区及铅直应力分布

一、留煤柱护巷

3. 护巷煤柱的稳定性

煤柱的弹塑性变形区及应力分布

Ⅰ—破裂区;Ⅱ—塑性区;Ⅲ—弹性区(弹性核)

护巷煤柱保持稳定的基本条件是:煤柱两侧产生塑性变形后,在煤柱中央存在一定宽度的弹性核,该弹性核的宽度不小于煤柱高度的 2 倍。

因此,保持煤柱稳定的最小宽度 B 应为:

\[B=x_{0}+2m+x_{1}\]

第七节 采区巷道保护

二、跨巷回采巷道卸压

机理:根据采面不断移动的特点以及巷道系统优化布置的原则,可在巷道上方的煤层工作面进行跨采,使巷道经历一段时间的高应力作用后,长期处于应力降低区内。

第七节 采区巷道保护

三、巷道围岩开槽卸压及松动卸压

1. 巷道周边开槽(孔)对围岩应力分布的影响

目标:通过在巷道周围开槽或钻孔,使巷道周边的集中应力向围岩深部转移,在巷道周边形成卸压区,且不扩大巷道周边塑性区的范围。

切缝对圆形巷道周边应力分布的影响

(a)不切缝;(b)两帮切缝;(c)顶底切缝;(d)两帮及顶底同时切缝

2. 巷道围岩开槽(孔)卸压法的应用

通常用成排的大直径钻孔来替代开槽。卸压效果主要取决于卸压槽的宽度b(钻孔直径)、深度h(钻孔深度)。对于中硬岩层,槽宽b=200~300mm;对于软岩层,b>200~300mm。切槽深度h应大于巷帮到切槽的间距a

钻孔卸压现场试验结果

1—未卸压;2—孔深8m;3—孔深9m

底板切槽对底板稳定性的影响

(a)a/h>1时;(b)a/h<1时

3. 巷道围岩松动爆破卸压法的应用

松动爆破卸压钻孔布置

由于钻成排的大直径钻孔较困难,常采用孔底药壶爆破法进行限制性爆破卸压,在围岩中形成一个连续的松散、破碎带,使应力峰值向围岩深部转移。

但松动爆破会极大地降低被松动岩体的强度,增加了破碎圈的深度,已向深部转移的应力仍会向巷道内挤压而使巷道产生较大的变形。因此松动爆破只有应用于坚硬围岩中才起作用,单纯依靠松动爆破卸压,效果并不理想。松动爆破应与松动圈的围岩加固(如水泥注浆、化学注浆、锚喷支护、支架支护等)结合起来使用。

第七节 采区巷道保护

四、利用卸压巷硐进行巷道卸压

在被保护的巷道附近(通常是在其上部、一侧或两侧),开掘专门用于卸压的巷道或硐室,转移附近煤层开采的采动影响,促使采动引起的应力再次重新分布,最终使被保护巷道处于开掘卸压巷硐而形成的应力降低区内。

四、利用卸压巷硐进行巷道卸压

1. 在巷道一侧布置卸压巷硐

巷道一侧卸压巷硐的卸压原理

1—被保护巷道;2—卸压巷道;3—让压煤柱;4—承载煤柱

四、利用卸压巷硐进行巷道卸压

2. 在巷道顶部布置卸压巷硐

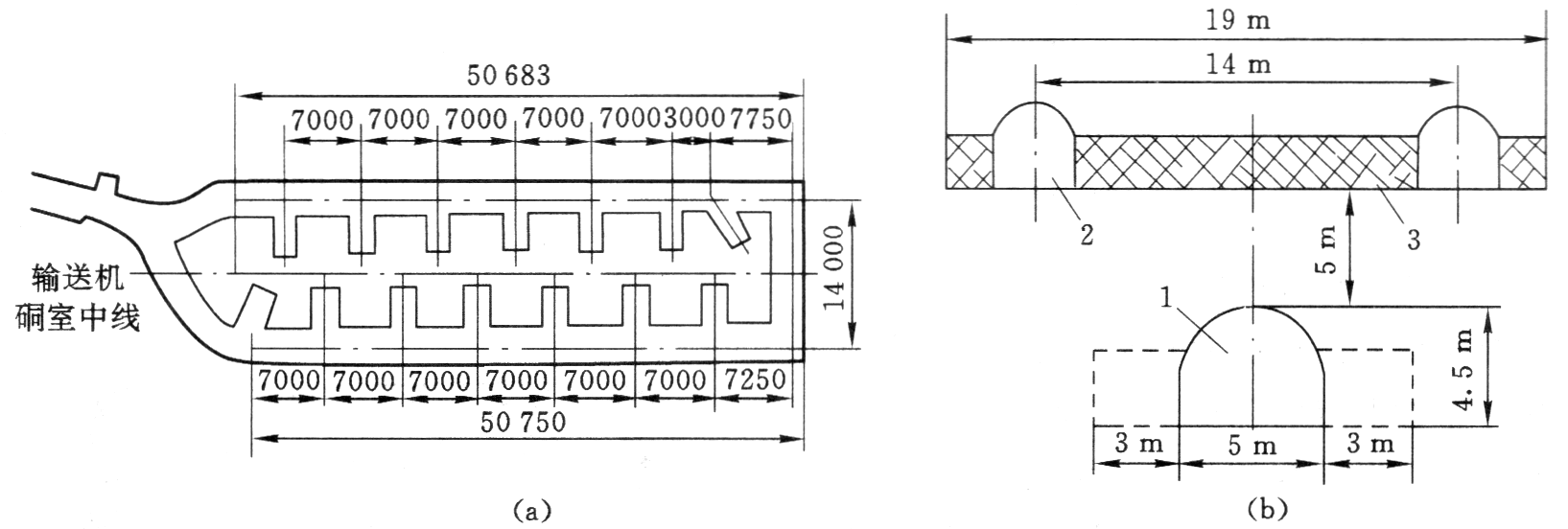
胶带输送机硐室顶部卸压

(a)平面图;(b)剖面图
1—输送机硐室;2—卸压巷道;3—松动爆破区

四、利用卸压巷硐进行巷道卸压

2. 在巷道顶部布置卸压巷硐

本煤层沿顶板布置卸压巷道卸压

(a)施工平面图;(b)施工剖面图

四、利用卸压巷硐进行巷道卸压

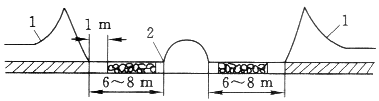
3. 宽面掘巷卸压

宽面掘巷卸压

1—宽面掘巷卸压后支承压力分布;2—侧巷

第七节 采区巷道保护

五、巷道围岩注浆加固

第七节 采区巷道保护

六、巷道支架架后充填

第七节 采区巷道保护

七、巷道锚注支护

软岩巷道可锚性差是造成锚杆锚固力低和失效的重要原因。利用锚杆兼做注浆管,实现锚注一体化,是软岩巷道支护的一个新途径。可使锚杆和注浆的作用在各自适用的范围内得到充分发挥,提高对软岩的支护效果。

学习要求

  1. 掌握圆形巷道围岩塑性变形区及应力分布特征。
  2. 了解构造应力对巷道稳定性的影响。
  3. 掌握受采动影响巷道的围岩变形量的构成以及围岩变形所要经历的五个阶段。
  4. 掌握巷道围岩压力分类。
  5. 了解巷道围岩控制的原理和方法。
  6. 掌握巷道金属支架支护时“支架—围岩”的相互作用原理以及应用。
  7. 了解按锚杆的锚固方式,锚杆可分为几类。
  8. 掌握几种主要的锚杆支护理论。

作 业

  1. 课本278页习题2:岩柱的稳定性主要取决于哪些因素?如何确定?
  2. 课本278页习题6:采动影响带的前影响区和后影响区内矿压显现的特点和机理有何不同?
  3. 课本278页习题7:试述巷道控制原理与方法。
  4. 课本278页习题8:试述巷道“支架—围岩”相互作用原理及其实际应用。
  5. 课本278页习题9:简述锚杆的支护理论。
  6. 课本278页习题10:简述锚杆支护设计的工程类比法和系统设计法。

  谢谢!

返回目录
返回首页